Каталог запчастей мтз 1221

Каталог запчастей мтз 1221. Корпус сцепления мтз 80 схема. 3. 1. Трубка включения вом мтз 1221.
Каталог запчастей мтз 1221. Корпус сцепления мтз 80 схема. 3. 1. Трубка включения вом мтз 1221.
Корпус сцепления мтз 1221 каталог. Каталог мтз 1221 кпп на мтз. 2. Каталог запчастей мтз 1221. Каталог запчастей мтз-82.
Корпус сцепления мтз 1221 каталог. Каталог мтз 1221 кпп на мтз. 2. Каталог запчастей мтз 1221. Каталог запчастей мтз-82.
Регулятор давления мтз 82. 80-3512010 регулятор давления мтз. Топливный насос мтз 1221 каталог запчастей. Смеситель системы управления зну 85-4618010 (мтз 1221). Каталог деталей трактора мтз 80.
Регулятор давления мтз 82. 80-3512010 регулятор давления мтз. Топливный насос мтз 1221 каталог запчастей. Смеситель системы управления зну 85-4618010 (мтз 1221). Каталог деталей трактора мтз 80.
Каталог запчастей мтз 1221. Каталог запчастей мтз 1221. Привод топливного насоса мтз-1221. Включение вома на мтз 1221. Каталог запчастей мтз 1221.
Каталог запчастей мтз 1221. Каталог запчастей мтз 1221. Привод топливного насоса мтз-1221. Включение вома на мтз 1221. Каталог запчастей мтз 1221.
Каталог мтз 1221. Регулятор тормозов мтз 1221. Рычаг на тнвд мтз-1221. Каталог запасных частей мтз 1221. Сиденье трактора мтз 1221 конструкция.
Каталог мтз 1221. Регулятор тормозов мтз 1221. Рычаг на тнвд мтз-1221. Каталог запасных частей мтз 1221. Сиденье трактора мтз 1221 конструкция.
Каталог запчастей мтз 1221. Коромысло мтз 1221. Каталог запчастей мтз 1221. 1. Подушка сиденья мтз 70-6803010.
Каталог запчастей мтз 1221. Коромысло мтз 1221. Каталог запчастей мтз 1221. 1. Подушка сиденья мтз 70-6803010.
Каталог деталей кпп мтз 1221. Механизм сиденья мтз 1221. Регулятор давления мтз 1221. Каталог запчастей мтз 1221. Сцепление мтз 1221 каталог.
Каталог деталей кпп мтз 1221. Механизм сиденья мтз 1221. Регулятор давления мтз 1221. Каталог запчастей мтз 1221. Сцепление мтз 1221 каталог.
Управление задним вом мтз 1221. Мтз 1221 каталог деталей и сборочных единиц. Корпус сцепления мтз 1221. Регулятор давления мтз 1221. Гайка рулевой тяги мтз 1221.
Управление задним вом мтз 1221. Мтз 1221 каталог деталей и сборочных единиц. Корпус сцепления мтз 1221. Регулятор давления мтз 1221. Гайка рулевой тяги мтз 1221.
Каталог запчастей мтз 1221. Схема подключения вом мтз 1221. Каталог запчастей трактора мтз 1221. Каталог запчастей мтз 1221. Каталог мтз 1221.
Каталог запчастей мтз 1221. Схема подключения вом мтз 1221. Каталог запчастей трактора мтз 1221. Каталог запчастей мтз 1221. Каталог мтз 1221.
Каталог запчастей мтз 1221. 1221-2407042 мтз каталог запчастей. 3 вом включение. 1. Мтз 1221 каталог деталей и сборочных единиц.
Каталог запчастей мтз 1221. 1221-2407042 мтз каталог запчастей. 3 вом включение. 1. Мтз 1221 каталог деталей и сборочных единиц.
Каталог запчастей мтз 1221. Каталог запчастей мтз 1221. Задняя поперечина на мтз 1221. 3. 2.
Каталог запчастей мтз 1221. Каталог запчастей мтз 1221. Задняя поперечина на мтз 1221. 3. 2.
Каталог запчастей трактора мтз 82. 85-1601026 вал корпуса сцепления мтз-1221. Каталог деталей сборочных единиц трактора беларус мтз 82. Коробка передач мтз 1221 схема. Рулевой наконечник мтз 1221.
Каталог запчастей трактора мтз 82. 85-1601026 вал корпуса сцепления мтз-1221. Каталог деталей сборочных единиц трактора беларус мтз 82. Коробка передач мтз 1221 схема. Рулевой наконечник мтз 1221.
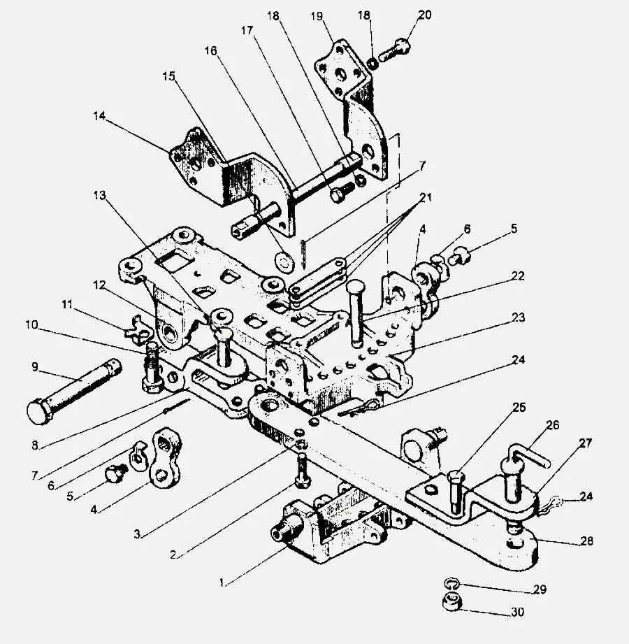
2. Рулевые управление мтз 1221. Брошюра мтз-1221. Прицепное устройство мтз 1221 фаркоп. Управление задним вом мтз 1221.
2. Рулевые управление мтз 1221. Брошюра мтз-1221. Прицепное устройство мтз 1221 фаркоп. Управление задним вом мтз 1221.
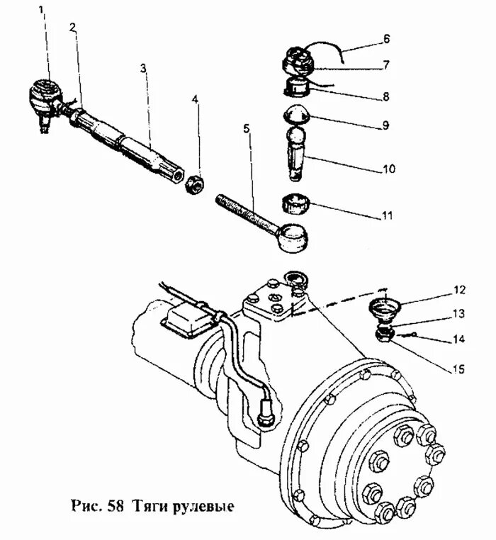
Каталог запчастей мтз 1221. Схема рулевого управления трактора мтз 1221. Каталог деталей и сборочных единиц тракторов беларусь. Сборка кпп мтз 1221. Пневмо корректор на мтз 1221.
Каталог запчастей мтз 1221. Схема рулевого управления трактора мтз 1221. Каталог деталей и сборочных единиц тракторов беларусь. Сборка кпп мтз 1221. Пневмо корректор на мтз 1221.
Каталог запчастей мтз 1221. Каталог запчастей мтз 1221. Гайка наконечника рулевой тяги левая трактор мтз-1221 1220-3003013-01. Рулевой механизм мтз 1221. Регулятор хода штока мтз 920.
Каталог запчастей мтз 1221. Каталог запчастей мтз 1221. Гайка наконечника рулевой тяги левая трактор мтз-1221 1220-3003013-01. Рулевой механизм мтз 1221. Регулятор хода штока мтз 920.
Каталог запчастей мтз 1221. Вом. Каталог запчастей мтз 1221. Механизм включения вом мтз 1221. Мтз-82 каталог запчастей.
Каталог запчастей мтз 1221. Вом. Каталог запчастей мтз 1221. Механизм включения вом мтз 1221. Мтз-82 каталог запчастей.
Соленоид заднего моста мтз 1221. Регулятор частоты вращения мтз 1221. Рычаги управления гидросистемой мтз 1221. Каталог запчастей мтз 1221. Каталог запчастей мтз 1221.
Соленоид заднего моста мтз 1221. Регулятор частоты вращения мтз 1221. Рычаги управления гидросистемой мтз 1221. Каталог запчастей мтз 1221. Каталог запчастей мтз 1221.
Корпус сцепления мтз 1221 схема. Схема заднего моста мтз 1523. Каталог мтз 1221. Управление вом мтз 1221. Каталог запчастей мтз 1221.
Корпус сцепления мтз 1221 схема. Схема заднего моста мтз 1523. Каталог мтз 1221. Управление вом мтз 1221. Каталог запчастей мтз 1221.
Прицепное устройство мтз 80. Беларус 1221 тормозная система. Тяга включения вом мтз 1221. 2. Рулевое управление трактора мтз 1221.
Прицепное устройство мтз 80. Беларус 1221 тормозная система. Тяга включения вом мтз 1221. 2. Рулевое управление трактора мтз 1221.
Корпус сцепления мтз 1221 схема. Сиденье водителя мтз 1221. Рулевое управления трактор 1221. 3. На мтз 1221 вилка вкл.
Корпус сцепления мтз 1221 схема. Сиденье водителя мтз 1221. Рулевое управления трактор 1221. 3. На мтз 1221 вилка вкл.